 |
|
|
 |
| 北京海晟邦达科技发展有限公司 北京总部: 地址:北京市通州区玉桥西里远洋东方92#-2-1401 电话:010-56189234 传真:010-56536255 手机:13581894740 邮箱:sale@bjostd.com 网址:www.bjostd.com
济南办事处: 地址:济南市天桥区无影山中路130号彩世界2号楼1单元609室 手机:17316110802
成都办事处:
地址:成都市金牛区赛云台东一路4号614室
手机:15910588105 |
|
|
| 您现在的位置:北京海晟邦达科技发展有限公司 > 产品展示 |
| 当前位置:产品展示 >> 山田yamada隔膜泵系列 >> NDP-15BA |
| NDP-15BA [返回] |
 |
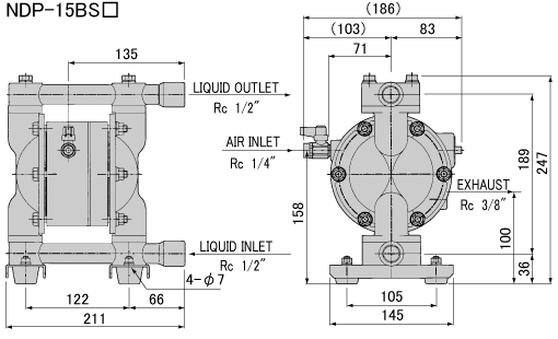
产品型号:NDP-15系列隔膜泵 产品规格:1/2"(DN15)系列 产品品牌:YAMADA [山田] 进出口口径:1/2"(DN15 最大流量:45L/min
本体(接液部分)材质
|
膜片的材质
|
C: 氯丁橡胶 CR
|
N: 腈类橡胶 NBR
|
S: 聚乙烯弹性体 TPO
|
H: 聚酯弹性体 TPEE
|
T: 聚四氟乙烯 PTFE
|
|
|
A: 铝合金 (ADC12)
|
NDP-15BAC
|
NDP-15BAN
|
NDP-15BAS
|
NDP-15BAH
|
NDP-15BAT
|
|
|
S: 不锈钢 (SCS14 / SUS316)
|
NDP-15BSC
|
NDP-15BSN
|
NDP-15BSS
|
NDP-15BSH
|
NDP-15BST
|
|
|
P: 增强聚丙烯 (PPG)
|
NDP-15FPC
|
NDP-15FPN
|
NDP-15FPS
|
NDP-15FPH
|
NDP-15FPT
|
|
|





|
|
|
|
|